【 微信掃碼谘詢 】
日本原裝進口SAKAI酒井製作所聯軸器型號:TCD-80B-15×35
蘇州(zhōu)91精品国产综合久久久久久機電設備有限公司(sī)詢價谘詢電話:17895046997 劉先生 同微信

特點:
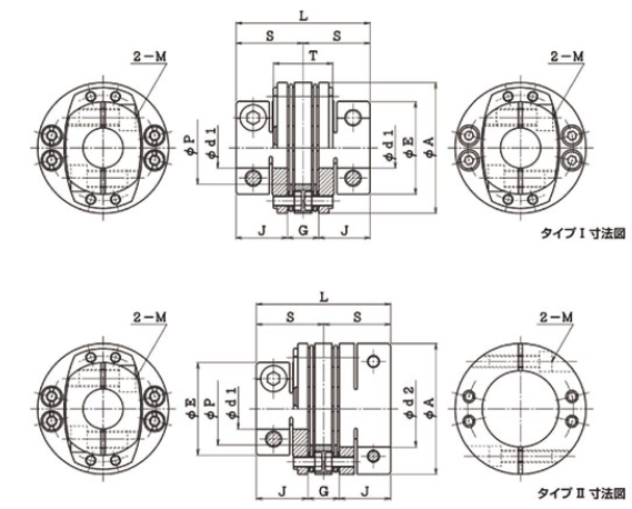
·利用撓曲部和軸緊固部的綜合性能實現高剛性、高轉矩的旋轉傳遞。
・通過采用獨特規格的層(céng)疊板彈簧及其安裝中的雙(shuāng)螺栓,可實現1.5~2倍於以往產品的扭矩傳(chuán)遞。
・軸緊固采用雙螺栓夾緊方式。
・非常適合重視剛(gāng)性(xìng)的碳鋼(S45C)機身要求高扭矩、高精度的(de)應用程(chéng)序。

特點:
・通過獨自板簧提高了扭(niǔ)矩傳(chuán)遞能力
・對降低(dī)價格和降低成本有效
·將精度和剛(gāng)性優異的獨自的層疊板彈簧作為撓曲材料用。用螺栓將兩組疊(dié)層板彈簧組裝到輪轂(gū)上的非背襯結構和(hé)高自由性,實現高精度、高扭矩的旋轉(zhuǎn)傳遞
・夾著間隔件的兩(liǎng)組層疊板彈簧同時吸收偏心(xīn)、偏角、軸向位移。自由性高(貴(guì))心合(hé)也(yě)容易的通用性的高度,是兼顧高精度的旋轉傳遞的精密軸接頭




蘇(sū)州91精品国产综合久久久久久機電設備有限公司銷售型號:
TCD-65B-14×14
TCD-65B-14×15
TCD-65B-14×16
TCD-65B-14×17
TCD-65B-14×18
TCD-65B-14×19
TCD-65B-14×20
TCD-65B-14×22
TCD-65B-14×24
TCD-65B-14×25
TCD-65B-15×15
TCD-65B-15×16
TCD-65B-15×17
TCD-65B-15×18
TCD-65B-15×19
TCD-65B-15×20
TCD-65B-15×22
TCD-65B-15×24
TCD-65B-15×25
TCD-65B-16×16
TCD-65B-16×17
TCD-65B-16×18
TCD-65B-16×19
TCD-65B-16×20
TCD-65B-16×22
TCD-65B-16×24
TCD-65B-16×25
TCD-65B-17×17
TCD-65B-17×18
TCD-65B-17×19
TCD-65B-17×20
TCD-65B-17×22
TCD-65B-17×24
TCD-65B-17×25
TCD-65B-18×18
TCD-65B-18×19
TCD-65B-18×20
TCD-65B-18×22
TCD-65B-18×24
TCD-65B-18×25
TCD-65B-19×19
TCD-65B-19×20
TCD-65B-19×22
TCD-65B-19×24
TCD-65B-19×25
TCD-65B-20×20
TCD-65B-20×22
TCD-65B-20×24
TCD-65B-20×25
TCD-65B-22×22
TCD-65B-22×24
TCD-65B-22×25
TCD-65B-24×24
TCD-65B-24×25
TCD-65B-25×25
TCD-80B-15×15
TCD-80B-15×16
TCD-80B-15×17
TCD-80B-15×18
TCD-80B-15×19
TCD-80B-15×20
TCD-80B-15×22
TCD-80B-15×24
TCD-80B-15×25
TCD-80B-15×28
TCD-80B-15×30
TCD-80B-15×32
TCD-80B-15×35
TCD-80B-16×16
TCD-80B-16×17
TCD-80B-16×18
TCD-80B-16×19
TCD-80B-16×20
TCD-80B-16×22
TCD-80B-16×24
TCD-80B-16×25
TCD-80B-16×28
TCD-80B-16×30
TCD-80B-16×32
TCD-80B-16×35
TCD-80B-17×17
TCD-80B-17×18
TCD-80B-17×19
TCD-80B-17×20
TCD-80B-17×22
TCD-80B-17×24
TCD-80B-17×25
TCD-80B-17×28
TCD-80B-17×30
TCD-80B-17×32
TCD-80B-17×35
TCD-80B-18×18
TCD-80B-18×19
TCD-80B-18×20
TCD-80B-18×22
TCD-80B-18×24
TCD-80B-18×25
TCD-80B-18×28
TCD-80B-18×30
TCD-80B-18×32
TCD-80B-18×35
TCD-80B-19×19
TCD-80B-19×20
TCD-80B-19×22
TCD-80B-19×24
TCD-80B-19×25
TCD-80B-19×28
TCD-80B-19×30
TCD-80B-19×32
TCD-80B-19×35
TCD-80B-20×20
TCD-80B-20×22
TCD-80B-20×24
TCD-80B-20×25
TCD-80B-20×28
TCD-80B-20×30
TCD-80B-20×32
TCD-80B-20×35
TCD-80B-22×22
TCD-80B-22×24
TCD-80B-22×25
TCD-80B-22×28
TCD-80B-22×30
TCD-80B-22×32
TCD-80B-22×35
TCD-80B-24×24
TCD-80B-24×25
TCD-80B-24×28
TCD-80B-24×30
TCD-80B-24×32
TCD-80B-24×35
TCD-80B-25×25
TCD-80B-25×28
TCD-80B-25×30
TCD-80B-25×32
TCD-80B-25×35
TCD-80B-28×28
TCD-80B-28×30
TCD-80B-28×32
TCD-80B-28×35
TCD-80B-30×30
TCD-80B-30×32
TCD-80B-30×35
TCD-80B-32×32
TCD-80B-32×35
TCD-80B-35×35
TCD-90B-19×19
TCD-90B-19×20
TCD-90B-19×22
TCD-90B-19×24
TCD-90B-19×25
TCD-90B-19×28
TCD-90B-19×30
TCD-90B-19×32
TCD-90B-19×35
TCD-90B-20×20
TCD-90B-20×22
TCD-90B-20×24
TCD-90B-20×25
TCD-90B-20×28
TCD-90B-20×30
TCD-90B-20×32
TCD-90B-20×35
TCD-90B-22×22
TCD-90B-22×24
TCD-90B-22×25
TCD-90B-22×28
TCD-90B-22×30
TCD-90B-22×32
TCD-90B-22×35
TCD-90B-24×24
TCD-90B-24×25
TCD-90B-24×28
TCD-90B-24×30
TCD-90B-24×32
TCD-90B-24×35
TCD-90B-25×25
TCD-90B-25×28
TCD-90B-25×30
TCD-90B-25×32
TCD-90B-25×35
TCD-90B-28×28
TCD-90B-28×30
TCD-90B-28×32
TCD-90B-28×35
TCD-90B-30×30
TCD-90B-30×32
TCD-90B-30×35
TCD-90B-32×32
TCD-90B-32×35
TCD-90B-35×35
TCD-100B-20×20
TCD-100B-20×22
TCD-100B-20×24
TCD-100B-20×25
TCD-100B-20×28
TCD-100B-20×30
TCD-100B-20×32
TCD-100B-20×35
TCD-100B-20×38
TCD-100B-20×40
TCD-100B-22×22
TCD-100B-22×24
TCD-100B-22×25
TCD-100B-22×28
TCD-100B-22×30
TCD-100B-22×32
TCD-100B-22×35
TCD-100B-22×38
TCD-100B-22×40
TCD-100B-24×24
TCD-100B-24×25
TCD-100B-24×28
TCD-100B-24×30
TCD-100B-24×32
TCD-100B-24×35
TCD-100B-24×38
TCD-100B-24×40
TCD-100B-25×25
TCD-100B-25×28
TCD-100B-25×30
TCD-100B-25×32
TCD-100B-25×35
TCD-100B-25×38
TCD-100B-25×40
TCD-100B-28×28
TCD-100B-28×30
TCD-100B-28×32
TCD-100B-28×35
TCD-100B-28×38
TCD-100B-28×40
TCD-100B-30×30
TCD-100B-30×32
TCD-100B-30×35
TCD-100B-30×38
TCD-100B-30×40
TCD-100B-32×32
TCD-100B-32×35
TCD-100B-32×38
TCD-100B-32×40
TCD-100B-35×35
TCD-100B-35×38
TCD-100B-35×40
TCD-100B-38×38
TCD-100B-38×40
TCD-100B-40×40
TCS-65B-14×14
TCS-65B-14×15
TCS-65B-14×16
TCS-65B-14×17
TCS-65B-14×18
TCS-65B-14×19
TCS-65B-14×20
TCS-65B-14×22
TCS-65B-14×24
TCS-65B-14×25
TCS-65B-15×15
TCS-65B-15×16
TCS-65B-15×17
TCS-65B-15×18
TCS-65B-15×19
TCS-65B-15×20
TCS-65B-15×22
TCS-65B-15×24
TCS-65B-15×25
TCS-65B-16×16
TCS-65B-16×17
TCS-65B-16×18
TCS-65B-16×19
TCS-65B-16×20
TCS-65B-16×22
TCS-65B-16×24
TCS-65B-16×25
TCS-65B-17×17
TCS-65B-17×18
TCS-65B-17×19
TCS-65B-17×20
TCS-65B-17×22
TCS-65B-17×24
TCS-65B-17×25
TCS-65B-18×18
TCS-65B-18×19
TCS-65B-18×20
TCS-65B-18×22
TCS-65B-18×24
TCS-65B-18×25
TCS-65B-19×19
TCS-65B-19×20
TCS-65B-19×22
TCS-65B-19×24
TCS-65B-19×25
TCS-65B-20×20
TCS-65B-20×22
TCS-65B-20×24
TCS-65B-20×25
TCS-65B-22×22
TCS-65B-22×24
TCS-65B-22×25
TCS-65B-24×24
TCS-65B-24×25
TCS-65B-25×25
TCS-80B-15×15
TCS-80B-15×16
TCS-80B-15×17
TCS-80B-15×18
TCS-80B-15×19
TCS-80B-15×20
TCS-80B-15×22
TCS-80B-15×24
TCS-80B-15×25
TCS-80B-15×28
TCS-80B-15×30
TCS-80B-15×32
TCS-80B-15×35
TCS-80B-16×16
TCS-80B-16×17
TCS-80B-16×18
TCS-80B-16×19
TCS-80B-16×20
TCS-80B-16×22
TCS-80B-16×24
TCS-80B-16×25
TCS-80B-16×28
TCS-80B-16×30
TCS-80B-16×32
TCS-80B-16×35
TCS-80B-17×17
TCS-80B-17×18
TCS-80B-17×19
TCS-80B-17×20
TCS-80B-17×22
TCS-80B-17×24
TCS-80B-17×25
TCS-80B-17×28
TCS-80B-17×30
TCS-80B-17×32
TCS-80B-17×35
TCS-80B-18×18
TCS-80B-18×19
TCS-80B-18×20
TCS-80B-18×22
TCS-80B-18×24
TCS-80B-18×25
TCS-80B-18×28
TCS-80B-18×30
TCS-80B-18×32
TCS-80B-18×35
TCS-80B-19×19
TCS-80B-19×20
TCS-80B-19×22
TCS-80B-19×24
TCS-80B-19×25
TCS-80B-19×28
TCS-80B-19×30
TCS-80B-19×32
TCS-80B-19×35
TCS-80B-20×20
TCS-80B-20×22
TCS-80B-20×24
TCS-80B-20×25
TCS-80B-20×28
TCS-80B-20×30
TCS-80B-20×32
TCS-80B-20×35
TCS-80B-22×22
TCS-80B-22×24
TCS-80B-22×25
TCS-80B-22×28
TCS-80B-22×30
TCS-80B-22×32
TCS-80B-22×35
TCS-80B-24×24
TCS-80B-24×25
TCS-80B-24×28
TCS-80B-24×30
TCS-80B-24×32
TCS-80B-24×35
TCS-80B-25×25
TCS-80B-25×28
TCS-80B-25×30
TCS-80B-25×32
TCS-80B-25×35
TCS-80B-28×28
TCS-80B-28×30
TCS-80B-28×32
TCS-80B-28×35
TCS-80B-30×30
TCS-80B-30×32
TCS-80B-30×35
TCS-80B-32×32
TCS-80B-32×35
TCS-80B-35×35
TCS-90B-19×19
TCS-90B-19×20
TCS-90B-19×22
TCS-90B-19×24
TCS-90B-19×25
TCS-90B-19×28
TCS-90B-19×30
TCS-90B-19×32
TCS-90B-19×35
TCS-90B-20×20
TCS-90B-20×22
TCS-90B-20×24
TCS-90B-20×25
TCS-90B-20×28
TCS-90B-20×30
TCS-90B-20×32
TCS-90B-20×35
TCS-90B-22×22
TCS-90B-22×24
TCS-90B-22×25
TCS-90B-22×28
TCS-90B-22×30
TCS-90B-22×32
TCS-90B-22×35
TCS-90B-24×24
TCS-90B-24×25
TCS-90B-24×28
TCS-90B-24×30
TCS-90B-24×32
TCS-90B-24×35
TCS-90B-25×25
TCS-90B-25×28
TCS-90B-25×30
TCS-90B-25×32
TCS-90B-25×35
TCS-90B-28×28
TCS-90B-28×30
TCS-90B-28×32
TCS-90B-28×35
TCS-90B-30×30
TCS-90B-30×32
TCS-90B-30×35
TCS-90B-32×32
TCS-90B-32×35
TCS-90B-35×35
TCS-100B-20×20
TCS-100B-20×22
TCS-100B-20×24
TCS-100B-20×25
TCS-100B-20×28
TCS-100B-20×30
TCS-100B-20×32
TCS-100B-20×35
TCS-100B-20×38
TCS-100B-20×40
TCS-100B-22×22
TCS-100B-22×24
TCS-100B-22×25
TCS-100B-22×28
TCS-100B-22×30
TCS-100B-22×32
TCS-100B-22×35
TCS-100B-22×38
TCS-100B-22×40
TCS-100B-24×24
TCS-100B-24×25
TCS-100B-24×28
TCS-100B-24×30
TCS-100B-24×32
TCS-100B-24×35
TCS-100B-24×38
TCS-100B-24×40
TCS-100B-25×25
TCS-100B-25×28
TCS-100B-25×30
TCS-100B-25×32
TCS-100B-25×35
TCS-100B-25×38
TCS-100B-25×40
TCS-100B-28×28
TCS-100B-28×30
TCS-100B-28×32
TCS-100B-28×35
TCS-100B-28×38
TCS-100B-28×40
TCS-100B-30×30
TCS-100B-30×32
TCS-100B-30×35
TCS-100B-30×38
TCS-100B-30×40
TCS-100B-32×32
TCS-100B-32×35
TCS-100B-32×38
TCS-100B-32×40
TCS-100B-35×35
TCS-100B-35×38
TCS-100B-35×40
TCS-100B-38×38
TCS-100B-38×40
TCS-100B-40×40
微信二維碼
官網二維碼
版權歸蘇州91精品国产综合久久久久久機電設備有限公司所有蘇ICP備16035515號 技術支持:易動力網絡